
¿Eres un profesional? ¿Necesita una sierra de calar que sea igualmente profesional?
¿Qué reduce al mínimo las vibraciones, qué no reduce el número de revoluciones si se somete a un trabajo duro y qué está dotado de muchas comodidades profesionales?
Seguro que puedes encontrar la mejor solución eligiendo un Sierra de calar Bosch Professional.
Bosch se encuentra entre las marcas de caladoras más demandadas que hemos cubierto en muchas de nuestras reviews de sierras.
Sin embargo, hoy estamos haciendo una comparativa sobre las 5 mejores sierras de calar de Bosch. Una vez más, clasificamos el producto en función de su calidad, rendimiento, portabilidad y precio.
Algunos de los otros factores que hemos tenido en cuenta son la velocidad, el tipo de hoja, la gestión y las funciones de limpieza.
Si está deseando comprar uno de estos productos, estas reseñas sobre la mejor sierra de calar Bosch: la mejor sierra de calar para cortar metal definitivamente lo ayudarán.
Entonces, sin más demora, comencemos nuestras revisiones.
1. Bosch PST 650 – Mejor sierra de calar Calidad/Precio

Nuestra opción favorita, en esta comparativa es la sierra caladora Bosch PST 900 PEL , que cuenta con un mago de agarre superior con un potente motor de 500 W. Esta herramienta te permite realizar cortes en la madera de 65 mm, lo que permite realizar con enorme facilidad trabajos que pueden resultar muy pesado.
El producto es una herramienta todo en uno. Ideal tanto para realizar curvas como rectas con total precisión.
Esta caladora de Bosch, es una herramienta compacta con un peso de 1,6 kg, y todo ello a un precio realmente económico. Además, cuenta con una empuñadora anti vibraciones softgrip que te asegura un control total de la herramienta.
Cuenta con un soplador de aire incorporado lo que ayuda a eliminar las virutas y desperdicios generados en el proceso de corte.
Finalmente mencionar que esta herramienta cuenta con el sistema SDS, lo que permite cambiar la hoja de la sierra de forma sencilla y segura, sin necesidad de utilizar herramientas adicionales. Además, incluye un maletín de transporte ideal para guardar la herramienta, y que no te pase como a mi, que siempre tengo las herramientas por todos los rincones de la casa.
Características principales
- Una sierra caladora, ideal para realizar cortes en madera.
- Voltaje de 230 voltios y potencia eléctrica de 500 W
- Sistema SDS, para realizar el cambio de hojas.
- Gracias al mango softgrip evitas el cansancio y las vibraciones.
- Es una herramienta realmente asequible.
2. Bosch PST 900 PEL – Nuestra favorita

Esta sierra de calar de Bosch da un paso más que el modelo anterior, lo que como es natural incrementará el precio.
Esta sierra de vaivén Bosch PST 900 PEL es una herramienta potente y robusta, que sierra que da gusto. Si eres un aficionado al bricolaje, con esta maquina podrás evolucionar tus proyectos al siguiente nivel, pudiendo atacar proyectos de mayor envergadura que de otro modo serian muy laboriosos de llevar a cabo.
Para ello cuenta con un motor de 620 W, y un sistema de control electrónico en el cual puedes regular la velocidad manualmente en función del tipo de material a serrar. Esta sierra caladora te permite devastar materiales como el aluminio, la madera o el acero. Es capaz de alcanzar profanidades de hasta 90 mm en madera, 15 mm en aluminio y 8 mm en acero.
El sistema CutControl diseñado por Bosch, permite lograr una buena orientación, así como la realización de un seguimiento preciso de la línea de corte. Este sistema trasparente y plegable nos ayudara a no desviarnos, y seguir la línea de corte con total exactitud.
Es una herramienta algo más pesada que la Bosch PST 600 (2,2 kg), pero aun así sigue siendo maniobrable.
Y como no, destacar que cuenta con el modelo Softgrip, disponiendo además con la tecnología de amortiguación Low Vibration para compensar aún más esas molestas vibraciones.
Cuenta a su vez con una luz led integrada, para mejorar la visibilidad. Junto con el movimiento pendular orbital lo que provoca un corte más veloz y con una mejor adaptabilidad a las curvas.
Finalmente destacar dos cosas, esta sierra caladora de Bosch cuenta con un maletín para su transporte y almacenamiento. Y con una tecnología de soplado ideal para apartar los desperdicios que podrían interrumpir nuestra visibilidad.
Características principales
- Una caladora ideal para trabajar madera, aluminio y acero.
- Es una maquina robusta que cuenta con un soplador.
- Cuenta con Softgrip y la tecnología de Low Vibration de Bosch
- Cuenta con un soplador para el polvo.
3. Bosch JS470EB, la sierra de calar con empuñadura de barril

Si eres de los que prefiere usar una sierra de calar con empuñadura de barril, será mejor que obtengas esta sierra caladora con empuñadura de barril Bosch JS470EB con cable de 7.0 amperios Bosch, que es nuestra segunda elección para la lista.
La máquina es conocida por su diseño fácil de usar, controles de precisión y fácil sistema de conexión de la máquina, lo que facilita el trabajo a principiantes y profesionales.
Si necesita cambiar las cuchillas, puede hacerlo fácilmente con el sistema de cambio de cuchillas sin herramientas de la máquina. Además, el diseño de baja vibración de la sierra de calar le permite lograr una alta precisión cuando trabaja en madera o metal.
Características principales
- Este también tiene un motor de 7 amperios para proporcionar un gran rango de velocidad
- El sistema de cambio de cuchillas sin herramientas facilita el cambio de cuchillas
- Comienza sin problemas para proporcionar un trabajo preciso y preciso.
- Es bueno para ser suave y mantener velocidades constantes.
4. Bosch JS365, por menos de 100 €

Nuestra 4 ª selección para la lista es Bosch JS365 que es uno de los mejores sierras de calar de menos de 100 euros.
Si son superiores con su presupuesto para los dos productos anteriores, definitivamente puede obtener este como alternativa.
Algunas de las excelentes características son que cuenta con un soplador de polvo, controles para cambiar la velocidad con facilidad, controles de gatillo del acelerador y el sistema de sujeción que es seguro y muy fácil de usar. Incluso obtienes una garantía de 1 año para el producto.
Características principales
- Este viene con un sistema de sujeción muy seguro para una sierra de calar.
- El soplador de polvo se puede ajustar para despejar la línea
- Puede trabajar a las velocidades más bajas y más altas posibles
- Una caladora ergonómica con mango superior que es incluso buena para principiantes.
5. Bosch JS260, la más barata

Nuestra siguiente elección la sierra de calar con mango superior Bosch JS260 de 120 voltios es uno de los clásicos que sin duda nos hemos perdido en nuestras listas.
Ahora que está de nuevo disponible, puede pedir y disfrutar del mismo rendimiento anterior con su plataforma de acero de calibre pesado y 4 configuraciones orbitales para mejorar la calidad del trabajo que realiza tanto en metal como en madera.
Con su motor de 120 voltios, ofrece un rango de velocidad agradable que puede usar para dar forma y cortar diferentes diseños. La máquina es conocida por su opción suave y precisa, lo que la convierte en un producto ideal para todas las carpinterías que desee realizar.
Características principales
- Entre las mejores sierras de calar para uso doméstico, puede obtener
- Utilice el dial o el gatillo del acelerador para cambiar la velocidad
- Este también viene con un soplador de polvo ajustable.
- La plataforma de acero es de acero de grueso calibre para mayor estabilidad.
6. Bosch GST 18 V-LI S Professional

No podíamos abandonar esta comparativa sin hablar de esta sierra de calar inalámbrica. Esta sierra caladora de Bosch tiene un voltaje de 18V y cuenta con un peso de 2,4 kilogramos.
Esta caladora tiene una velocidad máxima 2700 RPM. Pudiendo variar su velocidad de forma manual, lo que la hace una herramienta muy versátil.
Esta maquina sin cables ofrece unas profundidades de corte en madera de 120 mm, en aluminio de 20 mm y en metal de 8 mm.
Características principales
- Sierra de calar a batería.
- Extremadamente compacta y ergonómica.
- Voltaje de 18V y potencia eléctrica de 400 vatios.
- Velocidad máxima de 2700 RPM.
- Peso de 2,4 kg.
- Empuñadora ergonómica y sistema Softgrip.
7. Bosch JS572EBK – Una sierra de calar profesional
La herramienta más poderosa de esta lista es el juego de sierra caladora Bosch con mango de barril de 7.2 amperios JS572EBK, que viene con un motor de 7.2 amperios que ofrece velocidades de hasta 3200 SPM.
Sin embargo, tuvimos que clasificarla aquí debido al alto rango de precios y al diseño más pesado.
Con las características que tiene, es realmente una gran herramienta para los profesionales que trabajan tanto en metal como en madera. Al ser algo premium, tiene una luz LED para ver claramente la línea de corte y el soplador de polvo para limpiar los escombros.
Características principales
- Las luces LED hacen que la línea de corte sea bastante visible para un mejor trabajo.
- La mejor sierra de calar para cortar metal de forma precisa y duradera
- El cambio de hoja sin herramientas para cambiar las hojas con facilidad
- Una caladora eficiente y más conveniente para poseer
8. Bosch JS470E, la mejor sierra de calar para cortar metal
Nuestra primera elección para la lista es la sierra de calar con mango superior Bosch JS470E de 7.0 amperios. Esto es lo más poderoso que puede obtener para cortar metal y madera de Bosch.
El producto está disponible para la venta con características de la mejor calidad, por lo que este es el mejor momento para adquirir esta sierra de calar de 7 amperios de Bosch.
Si deseaba tener más control sobre cortes largos y constantes, puede usar su nuevo y mejorado botón de bloqueo. Además, obtiene un buen rango de velocidad que es de hasta 3000 SPM y cambia entre las velocidades usando un interruptor fácil provisto en el dial de la máquina.
Características principales
- Una sierra caladora perfecta para trabajar la madera y cortar metales
- El pie de fundición de la máquina es robusto y grande para su uso.
- El botón de bloqueo brinda más control y comodidad a los usuarios
- Sigue siendo algo muy asequible incluso con todas estas características premium.
Características generales de las sierras de calar eléctrica Bosch
Bosch se caracteriza por dos series diferentes de herramientas eléctricas: Green Line y Blue Line.
¿Qué diferencia a una sierra de calar Bosch Professional de una sierra de calar Green Line?
Un profesional utilizará su sierra de calar durante varias horas. Esto significa que si el producto no logra atenuar las vibraciones, estas serán un problema grave a largo plazo.
No solo lucharás más duro, sino que tu trabajo también puede ser inexacto. Bosch Professional solucionó este problema gracias al sistema de compensación masiva. Sistema que reduce las vibraciones sin alterar el rendimiento de la herramienta eléctrica.
Otra limitación típica de los modelos hobby es que ante los trabajos más extenuantes el número de revoluciones desciende. Esto nunca debe sucederle a un profesional que ciertamente no puede perder el tiempo o tener «lástima» por su herramienta eléctrica. Cualquiera que sea el trabajo, incluso si está bajo carga, la sierra de calar debe completarlo.
Este es el objetivo que se fija la sierra de calar Bosch Professional y es el objetivo que puede alcanzar fácilmente gracias a Sistema electrónico constante que mantiene constante la velocidad.
Sin inexactitudes gracias al rodillo doble lo que evita que la hoja se doble.
¿Problemas de visibilidad?
Nunca con una sierra de calar Bosch Profesional. Además de soplado de viruta y la posibilidad de conectar una aspiradora, se beneficiará de la linterna led integrada que iluminará el área de corte. Además, también destacan los caladoras eléctricos de la Blue Line no ser excesivamente ruidoso.
También son sin duda los modelos más potentes de Bosch, como lo demuestran los 800 vatios del Bosch Professional gst 160 bce. Si busca rendimiento y menor capacidad de corte (en consecuencia, también un coste más asequible) puede optar por la Bosch gst 150 bce Professional (780 vatios) o para el Bosch gst 90 be professional (650 vatios).
«¡Tantas ventajas, pero cuanto cuestan!»
A pesar de ser productos altamente profesionales, aún logran mantener precios que no son demasiado excesivos.
Características de las sierras de calar inalámbrica
Tiene las mismas características que una sierra de calar eléctrica de la Blue Line, por lo que a pesar de los modelos Green Line, es aún más manejable y robusta y muestra todas las funciones ya mencionadas.
La batería de litio utilizada tiene una duración aproximada de 4 horas.
¿La sierra de calar inalámbrica Bosch Professional cuesta más o menos que el modelo eléctrico de la Blue Line?
El precio es mas alto de las sierras de calar inalámbricas profesionales de Bosch dada la mayor libertad de movimiento que ofrece. También porque, si no los tienes, tendrás que comprar la batería y el cargador también.
Sierra de calar Bosch Blue Line: los mejores modelos
En este último párrafo queremos no solo mostrarte los precios y los relativos ofertas de las mejores sierras de calar profesionales Bosch, pero también queremos permitirle leer también las revisiones apropiadas. De hecho, al hacer clic en los enlaces que se encuentran debajo, puede obtener más información sobre cada modelo.
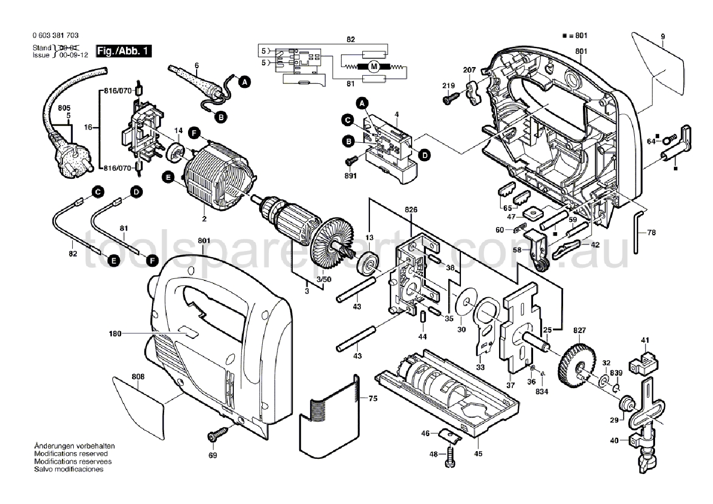
Despiece sierra de calar Bosch
A continuación tendrás una imagen en la que se muestra el despiece de la sierra de calar Bosch PST 650, para que puedas conocer su funcionamiento desde dentro.

Conclusión
Así que estas fueron nuestras 5 mejores sierras de calar Bosch para cortar metales y cortar curvas. Solo asegúrese de leer detenidamente las reseñas para elegir el producto adecuado que se adapte a su trabajo. Siga visitando nuestro sitio web para obtener las mejores reseñas de sierras de calar.